Gancho de fundición ENORM EWHG según EN 1677-2. Los ganchos KDG están diseñados de tal manera que en caso de sobrecarga no se rompen por rotura, sino que la abertura del gancho aumenta visualmente y permite que la carga se deslice lentamente hacia abajo.
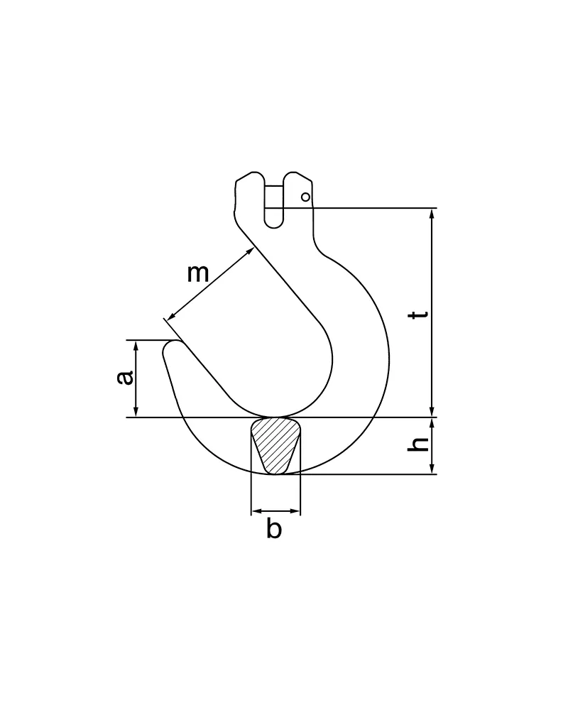
Medidas y peso
| Code | WLL | Weight | Ident no. | Download 3D | ||||||
|---|---|---|---|---|---|---|---|---|---|---|
| [t] | a [mm] |
b [mm] |
h [mm] |
m [mm] |
t [mm] |
[kg] | ||||
| EWHG 18 | 12,5 | 77 | 53 | 54 | 114 | 218 | 7,8 | 0362318000 | ||
| EWHG 22 | 19,0 | 90 | 56 | 65 | 124 | 237 | 11,9 | 0362322000 |





