El Flat Point FP es un punto de elevación giratorio de perfil extremadamente bajo para atornillado, que combina los más altos estándares de seguridad con un diseño compacto. Incorpora de serie un tornillo con resistencia a las grietas según la norma DIN EN ISO 4014 (clase de resistencia 10.9), lo que lo hace ideal para aplicaciones exigentes en la industria, la ingeniería mecánica y la tecnología de elevación.
Gracias a su capacidad de giro de 360° y a un rango de trabajo de 110°, el FP ofrece la máxima libertad de movimiento al manipular cargas. El anillo de elevación se bloquea automáticamente, lo que proporciona mayor seguridad durante el uso.
Puntos de fijación, THEIPA Point
Punta plana con longitud variable
Máxima personalización – Versiones individuales disponibles bajo pedido:
– Todos los tipos de rosca comunes disponibles (métrica, en pulgadas, redonda, rosca especial)
– Longitudes especiales y diseño de rosca personalizado
– Opcional con chip RFID integrado para identificación y documentación digital
Cantidad de carga útil (WLL)
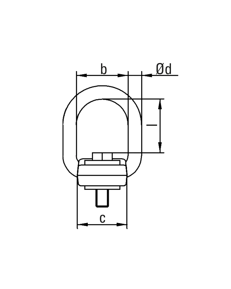
Medidas y peso
| Code | Thread type | var. thread length | Tightening torqe | Lashing force | |||||||||
|---|---|---|---|---|---|---|---|---|---|---|---|---|---|
| [mm] | [mm] | [Nm] | [daN] | a [mm] |
b [mm] |
c [mm] |
d [mm] |
e [mm] |
f [mm] |
g max. [mm] |
l [mm] |
Øs [mm] |
|
| FP 0,5 | M 10 | 38 – 200 | 60 | 1000 | 69 | 50 | 48 | 13 | 28 | 100 | 172 | 52 | 34 |
| FP 0,8 | M 12 | 40 – 200 | 90 | 1600 | 69 | 50 | 48 | 13 | 28 | 100 | 182 | 51 | 34 |
| FP 1,5 | M 16 | 44 – 200 | 160 | 3000 | 69 | 50 | 48 | 13 | 28 | 100 | 172 | 49 | 34 |
| FP 2,5 | M 20 | 53 – 200 | 420 | 5000 | 69 | 50 | 48 | 13 | 33 | 103 | 167 | 44 | 41 |
| FP 4-S | M 24 | 58 – 200 | 750 | 8000 | 69 | 50 | 48 | 13 | 34 | 103 | 166 | 40 | 41 |
| FP 4 | M 24 | 63 – 200 | 750 | 8000 | 104 | 76 | 72 | 19 | 39 | 147 | 161 | 72 | 58 |
| FP 5 | M 27 | 66 – 300 | 1000 | 10000 | 104 | 76 | 72 | 19 | 39 | 147 | 261 | 72 | 58 |
| FP 6 | M 30 | 69 – 300 | 1400 | 12000 | 104 | 76 | 72 | 19 | 39 | 147 | 261 | 72 | 58 |
| FP 8 | M 36 | 79 – 300 | 1800 | 16000 | 104 | 76 | 72 | 19 | 43 | 147 | 257 | 72 | 58 |
| FP 10 | M 42 | 107,5 – 300 | 2000 | 160 | 107 | 99 | 34,5 | 65,5 | 236 | 234 | 110 | 90 | |
| FP 15 | M 48 | 113,5 – 300 | 2000 | 160 | 107 | 99 | 34,5 | 65,5 | 236 | 234 | 106 | 90 |
Categorías: Puntos de fijación, THEIPA Point
Etiqueta: attachment points





