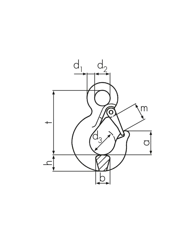
El gancho de horquilla para eslinga NORM8 TOE, según la norma EN 1677-2, puede adaptarse a diferentes direcciones de carga. Su diseño evita su rotura brusca en caso de sobrecarga.
Medidas y peso
| Code | WLL | weight | ident no. | Download 3D | |||||||||
|---|---|---|---|---|---|---|---|---|---|---|---|---|---|
| [t] | a [mm] |
b [mm] |
d1 [mm] |
d2 [mm] |
d3 [mm] |
h [mm] |
m [mm] |
t [mm] |
[kg] | ||||
| TOE 6 | 1,12 | 32 | 16 | 12 | 27 | 34 | 21 | 22 | 91 | 0,4 | 0361106000 | ||
| TOE 8 | 2,0 | 44 | 20 | 13 | 29 | 47 | 27 | 30 | 112 | 0,7 | 0361108000 | ||
| TOE 10 | 3,15 | 53 | 26 | 17 | 34 | 54 | 36 | 36 | 138 | 1,7 | 0361110000 | ||
| TOE 13 | 5,3 | 66 | 32 | 20 | 40 | 70 | 47 | 47 | 170 | 2,8 | 0361113000 | ||
| TOE 16 | 8,0 | 61 | 37 | 26 | 54 | 70 | 49 | 50 | 192 | 4 | 0361116000 |





