Gancho automático forjado NORM8, compatible con el sistema modular de KDG. Fabricado según la norma EN 1677-1.
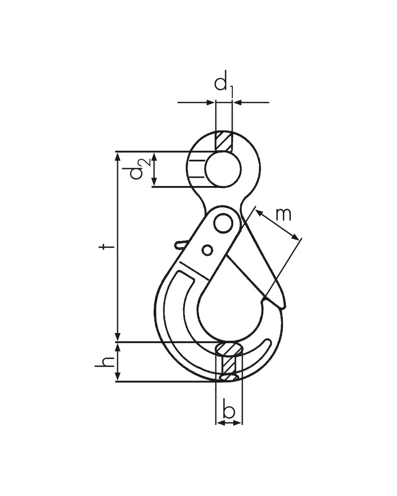
Medidas y peso
| Code | WLL | Weight | Ident no. | ||||||||||
|---|---|---|---|---|---|---|---|---|---|---|---|---|---|
| [t] | b [mm] |
d1 [mm] |
d2 [mm] |
h [mm] |
m [mm] |
t [mm] |
[kg] | ||||||
| TAHO 7/8 | 2,0 | 20 | 12 | 24 | 25 | 37 | 132 | 0,5 | 0363008000 | ||||
| TAHO 10 | 3,15 | 27 | 14 | 32 | 35 | 50 | 169 | 1,6 | 0363010000 | ||||
| TAHO 13 | 5,3 | 32 | 16 | 40 | 41 | 55 | 209 | 3,1 | 0363013000 |





